
700X多功能水泵控制閥
全方位檢測!
讓利于客戶!
縮短了交貨期!
700X多功能水泵控制閥
700X多功能水泵控制閥結構特點和用途
700X多功能水泵控制閥由主閥、電磁導閥、針閥、球閥、單向閥、行程開關、微形過濾器和壓力表組成水力控制接管系統。水泵需停止工作時,先由進口壓使主閥關閉90%后,水泵停止運轉。剩余10%由回水關閉。可防止水錘現象發生。
本產品利用電磁導閥控制,不需要其它裝置和能源。節約能源,保養簡便,停泵平穩。電磁閥可采用交流電220V或直流電24V。
本系列閥門產品廣泛用于高層建筑、生活區等供水管網系統及城市供水工程。
多功能水泵控制閥工作原理
當水泵工作閥門向下游供水時,電磁導閥全開,針閥調至適當開度,上游水經針閥、單向閥進入主閥控制室,經電磁導閥流出,此時主閥控制室的壓力保持主閥處于合適的開度,保持下游正常供水。
當水泵停止工作時,電磁導閥先關閉,主閥控制室停止排水,控制室壓力升高,主閥開始關閉。當關閉至90%時,主閥上部行程開關輸出停泵信號,水泵停止運轉。此時下游回水經單向閥進入主閥控制室,控制室壓力升高,主閥被關閉。
多功能水泵控制閥主要技術參數
尼威閥門公司 PN1.6 PN1.6 PN1.6 PN1.6 180
多功能水泵控制閥主要零件材料
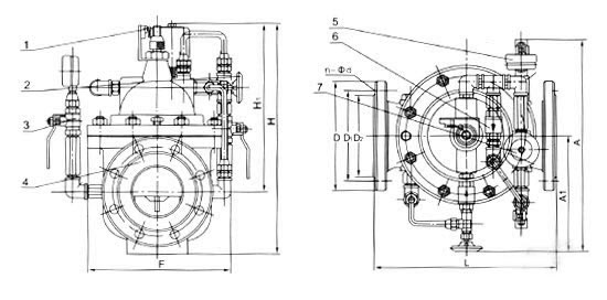
多功能水泵控制閥部件列表:
1、電器控制開關2、針閥3、球閥4、主閥5、壓力表6、單向閥7、電磁向導閥
多功能水泵控制閥連接尺寸
mm
mm
mm
多功能水泵控制閥安裝示意圖
相關水力控制閥產品系列: