
500X泄壓閥 持壓閥
全方位檢測!
讓利于客戶!
縮短了交貨期!
500X泄壓閥 持壓閥
500X泄壓閥 持壓閥用途
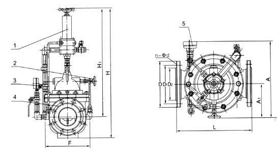
500X泄壓/持壓閥由主閥、泄壓/持壓導閥針閥、球閥、微形過濾器和壓力表組成水力控制接管系統。利用水力自動操作,即可以作泄壓閥用又可作持壓閥用。作泄壓閥用時,可維持供水路壓力在設定的安全值之下;做持壓閥用,可維持主閥上游水壓在設定值之上,保持主閥上游供水壓力。
本產品利用水力自力控制,不需要其它裝置和能源,保養簡便,一閥多用。
本系列閥門產品廣泛用于高層建筑、生活區等供水管網系統及城市供水工程。
500X泄壓閥 持壓閥工作原理
1、作泄壓閥:當泄壓/持壓導閥調整為泄壓狀態時,水通過針閥、主閥控制室、球閥A、泄壓/持壓導閥、球閥B流向出口,此時主閥處于開啟狀態。當進口壓力超過泄壓/持壓導閥設定的安全值時,泄壓導閥會自動開啟,通過球閥C放出部分水,使管路泄壓。當壓力恢復到安全值時,泄壓閥自動關閉。作泄壓閥時,各球閥常開。
2、作持壓閥:當泄壓/持壓導閥調整為持壓狀態時,只要主閥進口水壓低于導閥設定值,導閥即關閉。主要控制室升壓,主閥關閉。當主閥上游供水壓力超過導閥設定壓力時,持壓導閥才能打開,控制室的水經球閥排至出口,控制室降壓主閥開啟,開始供水,即保持了上游水壓。作持壓閥用時,球閥C常閉或用絲堵換下。
500X泄壓閥 持壓閥主要技術參數
500X泄壓閥 持壓閥主要零件材料
500X泄壓閥 持壓閥部件列表:
1、導閥2、針閥3、球閥4、主閥5、壓力表
500X泄壓閥 持壓閥連接尺寸
PN1.6 PN1.6 PN1.6 PN1.6
mm
mm
mm
500X泄壓閥 持壓閥安裝示意圖
相關水力控制閥產品系列: