
200X減壓穩壓閥
質量穩定:實行全過程質量監控,細致入微,
全方位檢測!
全方位檢測!
價格合理:高效內部成本控制,減少了開支,
讓利于客戶!
讓利于客戶!
交貨快捷:先進生產流水線,充足的備貨,
縮短了交貨期!
縮短了交貨期!
200X減壓穩壓閥
200X減壓穩壓閥結構特點和用途
200X減壓穩壓閥由主閥、導閥、針閥、球閥、微型過濾器和壓力表組成水力控制接管系統。使用時,當調定出口壓力后,能自動保持穩定出口壓力。
本產品利用導閥自力控制,不需要其它裝置和能源,保養簡便,壓力控制準確度高,受進口壓力和流量影響小,減壓穩壓可靠。
本系列閥門產品廣泛用于高層建筑、生活區等供水管網系統及城市供水工程。
200X減壓穩壓閥工作原理
當閥門從進口端給水時,水流過針閥進入主閥控制室,出口壓力通過導管作用到導閥上。當出口壓力高于導閥彈簧設定值時,導閥關閉。控制室停止排水,此時主閥控制室內壓力升高并關閉主閥,出口壓力不再升高。
當閥門出口壓力降到導閥彈簧設定壓力時,導閥開啟,控制室向下游排水。由于導閥系統排水量大于針閥的進水量,主閥控制室壓力下降。進口壓力使主閥開啟。在穩定狀態下,控制室進水、排水相同,主閥開度不變,出口壓力穩定。
調節導閥彈簧即可設定出口壓力。
200X減壓穩壓閥主要技術參數
公稱壓(Mpa)
|
殼體試驗壓力(MPa)
|
密封試驗壓力(MPa)
|
高進口壓力(MPa)
|
出口可調壓力(MPa)
|
適用介質
|
介質溫度(℃)
|
1.0
|
1.5
|
1.1
|
1.0
|
0.09-0.8
|
水
|
0-80
|
1.6
|
2.4
|
1.76
|
1.6
|
0.10-1.2
|
||
2.5
|
3.75
|
2.75
|
2.5
|
0.15-1.6
|
200X減壓穩壓閥主要零件材料
零件名稱
|
零件材料
|
閥體 閥蓋
|
WCB
|
閥座 閥盤
|
銅合金
|
密封圈 O型圈
|
丁腈橡膠
|
閥桿
|
2Cr13
|
彈簧
|
50CrVA
|
針型閥
|
銅合金
|
球閥
|
銅合金
|
浮球閥
|
銅合金
|
微型過濾器
|
不銹鋼
|
![]() |
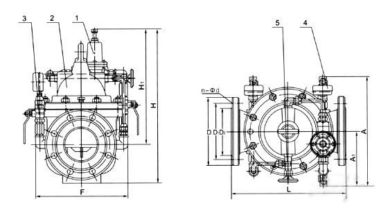
200X減壓穩壓閥部件列表: 1、導閥2、主閥3、球閥4、壓力表5、針表 |
200X減壓穩壓閥連接尺寸
DN
|
L
|
A
|
A1
|
H
|
H1
|
F
|
D
mm |
D1
mm |
D2
mm |
n-Φd
|
||||||||
mm
|
mm
|
mm
|
mm
|
mm
|
mm
|
PN1.0
|
PN1.6 |
PN2.5
|
PN1.0
|
PN1.6 |
PN2.5
|
PN1.0
|
PN1.6 |
PN2.5
|
PN1.0
|
PN1.6 |
PN2.5
|
|
20
|
180
|
292
|
136
|
342
|
247
|
116
|
105
|
105
|
105
|
75
|
75
|
75
|
58
|
58
|
56
|
4-13.5
|
4-13.5
|
4-14
|
25
|
180
|
292
|
136
|
342
|
247
|
116
|
115
|
115
|
115
|
85
|
85
|
85
|
68
|
68
|
65
|
4-13.5
|
4-13.5
|
4-14
|
32
|
180
|
292
|
136
|
342
|
247
|
116
|
140
|
140
|
140
|
100
|
100
|
100
|
78
|
78
|
76
|
4-17.5
|
4-17.5
|
4-18
|
40
|
240
|
330
|
155
|
395
|
278
|
170
|
150
|
150
|
150
|
110
|
110
|
110
|
88
|
88
|
84
|
4-17.5
|
4-17.5
|
4-18
|
50
|
240
|
330
|
155
|
395
|
278
|
170
|
165
|
165
|
165
|
125
|
125
|
125
|
102
|
102
|
99
|
4-17.5
|
4-17.5
|
4-18
|
65
|
250
|
350
|
165
|
405
|
298
|
180
|
185
|
185
|
185
|
145
|
145
|
145
|
122
|
122
|
118
|
4-17.5
|
4-17.5
|
8-18
|
80
|
285
|
365
|
175
|
430
|
313
|
210
|
200
|
200
|
200
|
160
|
160
|
160
|
133
|
133
|
132
|
8-17.5
|
8-17.5
|
8-18
|
100
|
360
|
410
|
195
|
510
|
350
|
275
|
220
|
220
|
235
|
180
|
180
|
190
|
158
|
158
|
156
|
8-17.5
|
8-17.5
|
8-22
|
125
|
400
|
455
|
220
|
560
|
365
|
310
|
250
|
250
|
270
|
210
|
210
|
220
|
184
|
184
|
184
|
8-17.5
|
8-17.5
|
8-26
|
150
|
455
|
475
|
230
|
585
|
420
|
355
|
285
|
285
|
300
|
240
|
240
|
250
|
212
|
212
|
211
|
8-22
|
8-22
|
8-26
|
200
|
585
|
530
|
255
|
675
|
450
|
460
|
340
|
340
|
360
|
295
|
295
|
310
|
268
|
268
|
274
|
8-22
|
12-22
|
12-26
|
250
|
650
|
623
|
300
|
730
|
470
|
500
|
395
|
405
|
425
|
350
|
355
|
370
|
320
|
320
|
330
|
12-22
|
12-26
|
12-30
|
300
|
800
|
700
|
340
|
760
|
490
|
580
|
445
|
460
|
485
|
400
|
410
|
430
|
370
|
370
|
389
|
12-22
|
12-26
|
16-30
|
350
|
860
|
840
|
415
|
840
|
526
|
640
|
505
|
520
|
555
|
460
|
470
|
490
|
430
|
430
|
448
|
16-22
|
16-26
|
16-33
|
400
|
960
|
880
|
430
|
910
|
570
|
715
|
565
|
580
|
620
|
515
|
525
|
550
|
482
|
482
|
503
|
16-26
|
16-30
|
16-36
|
450
|
1075
|
930
|
460
|
1030
|
610
|
780
|
615
|
640
|
670
|
565
|
585
|
600
|
532
|
550
|
548
|
20-26
|
20-30
|
20-36
|
500
|
1075
|
980
|
490
|
1135
|
665
|
830
|
670
|
715
|
760
|
620
|
650
|
660
|
585
|
585
|
609
|
20-26
|
20-33
|
20-36
|
600
|
1230
|
1060
|
530
|
1270
|
725
|
920
|
780
|
840
|
845
|
725
|
770
|
770
|
685
|
685
|
720
|
20-30
|
20-36
|
20-39
|
700
|
1650
|
1130
|
560
|
1460
|
865
|
980
|
895
|
910
|
960
|
840
|
840
|
875
|
800
|
800
|
820
|
24-30
|
24-36
|
24-42
|
800
|
1750
|
1230
|
610
|
1640
|
975
|
1050
|
1015
|
1025
|
1085
|
950
|
950
|
990
|
905
|
905
|
928
|
24-33
|
24-39
|
24-48
|
200X減壓穩壓閥安裝示意圖 |
![]() |
相關水力控制閥產品系列: